Valmistamme pistimet asiakkaan piirustusten tai mallien mukaan nopeasti ja laadukkaasti – sekä toimitamme suoraan laajasta vakiovalikoimastamme. Suuri aihiovarasto, oma karkaisimo ja kovien materiaalien työstöön erikoistunut konekanta mahdollistavat nopeat toimitukset ja tarkan lopputuloksen vaativiin lävistystyökaluihin ja levytyökaluihin.
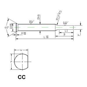
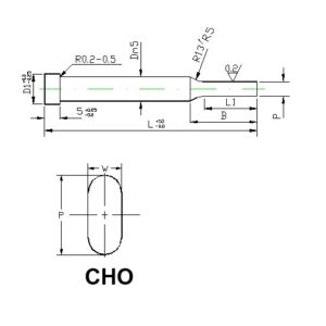
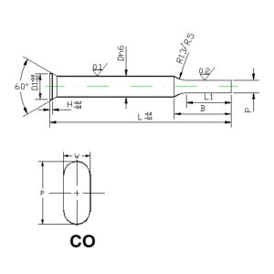
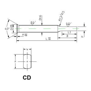
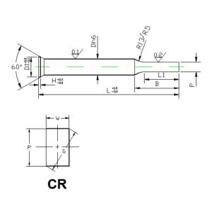
Vakiovalikoimaamme kuuluvat kartiokantaiset ja sylinterikantaiset pistimet, myös ejektorilla varustettuina. Lisäksi saatavilla on muita kantamuotoja työkalurakenteen ja lukitustavan mukaan. Toimitamme sekä standardin mukaiset pistimet että erikoispistimet asiakaskohtaisilla mitoilla.
Pistimien vakiomateriaalit ovat kromiseostettu työkaluteräs (HWS) ja pikateräs (HSS). Saatavilla on useita materiaalivaihtoehtoja ja pinnoitteita eri kuormitus- ja kulumisolosuhteisiin. Oikein valittu pistin varmistaa hallitun välyksen, tasaisen leikkausjäljen ja pitkän käyttöiän myös sarjatuotannossa.
Näytetään tulokset 1–16 / 20Sorted by latest















