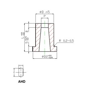
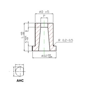
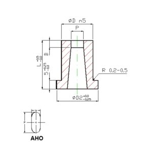
Muototyyny

Tyynyvalikoimamme kattaa useita eri mallisarjoja ja käyttötarkoituksia. Käytännössä lähes kaikki levyjen lävistys- ja leikkaustarpeet voidaan toteuttaa joko vakiotuotteella tai asiakaskohtaisella ratkaisulla.

Vakiopituudet: L = 20, 25 tai 32 mm
Myös muita pituuksia saatavana.

Tyynyt toimitetaan kartio- tai olakepäästöisinä.

Voimmeko olla avuksi?

Autamme mielellämme - löydät yhteystietomme ohesta.