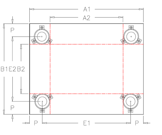
Työkalurunko nelipylväinen, liukujohteet D84/D94

Osasto:

Kuvaus

 

Voimmeko olla avuksi?

Autamme mielellämme - löydät yhteystietomme ohesta.