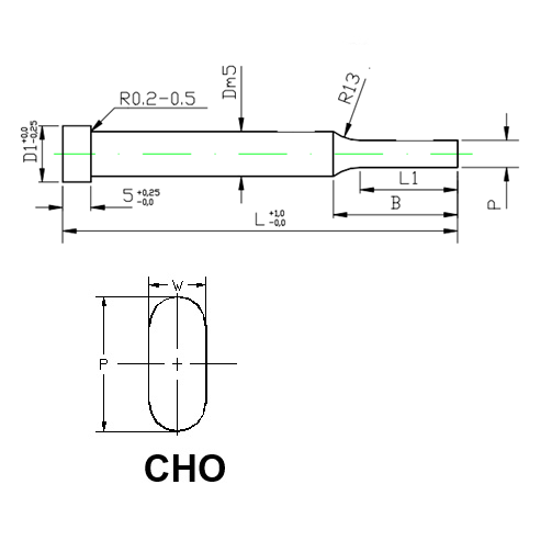
Muotopistin CHO ovaali lieriökanta

PISTIN MUOTO CHO (ISO 8020)

Muotopistin sylinterikannalla

  • Materiaali: HWS tai HSS
  • Halkaisijat: 2 – 32,0 mm
  • Vakiopituudet: 71 ja 100 mm, muita pituuksia pyynnöstä.
 €
Tuotenumero: 0246 Osastot: , Avainsana tuotteelle

Kuvaus

Materiaalit:

HWS=12% Cr-seostettu työkaluteräs
HSS=Pikateräs

 

Kovuudet (HRc)

HWS

  • Varsi 60 ± 2
  • Kanta 45 ± 4

HSS

  • Varsi 64 ± 2
  • Kanta 45 ± 5

Pinnanlaatu Ra: 0.4

Vakiopituudet: 71 ja 100 mm
Muita pituuksia pyynnöstä

Lisätiedot

Materiaali

HWS, HSS

Pituus (L)

100 mm, 71 mm, Muu pituus (anna lisätiedoissa)

Voimmeko olla avuksi?

Autamme mielellämme - löydät yhteystietomme ohesta.